S2K Commerce - Products Dropdown

- ${title}
Loading...
S2K Commerce - Shopping Cart

- ${title}
Loading...
My Cart
Items
0
S2K Commerce - Order Entry

- ${title}
Loading...
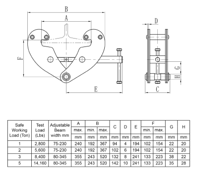
Fehr LMBC-2
Two Ton Capacity Beam Clamp
Item #:LMBC-2
Available: Special Order/Direct Ship
Rugged all-steel construction
Fits wide range of beam sizes
Black CED finish (Cathodic Electro Deposition)
Tagged for traceability
Built-in suspension bar for easy attachment to load
Fits wide range of beam sizes
Black CED finish (Cathodic Electro Deposition)
Tagged for traceability
Built-in suspension bar for easy attachment to load
Beam Clamps are designed to be used as a temporary or permanent fixed position lifting point for an overhead hoist without drilling or welding. Beam Clamps are designed also to reduce the I-beam flange stress by distributing loads away from the flange edges during overhead lifting applications.
Contact us to order
Fits flange width range of 3-9 inches
Permanent or temporary mounting
Load bar diameter = 1 inch
Weight: 11 lbs.
Safety Notice
Using beam clamps safely
Permanent or temporary mounting
Load bar diameter = 1 inch
Weight: 11 lbs.
Safety Notice
Using beam clamps safely
- Ensure that the beam clamp is of correct capacity for the load being lifted and that the beam will not be damaged by localized overloading.
- Ensure that the clamp is fitted correctly over the center of gravity of the item being lifted and will not be subjected to side loading.
- Before lifting a load, ensure that the clamp has been tightened and that the lifting appliance is fitted correctly into the eye of the clamp.
- Ensure that beam clamps are kept clean and moving parts are lubricated.
- Regularly inspect beam clamps for wear, damage, distortion, cracks, and any defects likely to cause danger.
- If any of the above defects are found, remove the beam clamp from service and refer to a competent professional.